|
|||||||||||||||||||||||||||||||||||||||||||||||||||||||||||||||||||||||||||||||||||||||||||||||||||||||||||||||||||||||||||||||||||||||||||||||||||||||||||||||||||||||||||||||||||||||||||||||||||||||||||||||||||||||||||||||||||||||||||||||||||||||||||||||||||||||||||||||||||||||||||||||||||||||||||||||||||||||||||||||||||||||||||||||||||||||||||||||||||||||||||||||||||||||||||||||||||||||||||||||||||||||||||||||||||||||||||||||||||||||||||||||||||||||||||||||||||||||||||||||||||||||||||||||||||||||||||||||||||||||||||||||||||||||||||||||||||||||||||||||||||||||||||||||||||||||||||||||||||||||||||||||||||||||||||||||||||||||||||||||||||||||||||||||||||||||||||||||||||||||||||||||||||||||||||||||||||||||||||||||||||||||||||||||||||||||||||||||||||||||||||||||||||||||||||||||||||||||||||||||||||||||||||||||||||||||||||||||||||||||||||||||||||||||||||||||||||||||||||||||||||||||||||||||||||||||||||||||||||||||||||||||||||||||||||||||||||||||||||||||||||||||||||||||||||||||||||||||||||||||
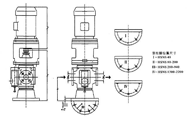
| 示 意 图 |
![]() |
![]() |
![]() |
| 型 式 |
卧 式 |
立 式 |
法 兰 式 |
| 符 号 |
H |
S |
F |
![]() |
![]() |
![]() |
| 电机规格 |
80 |
90S |
90L |
100L |
112M |
132S |
132M |
160M |
160L |
180M |
180L |
200L |
225S |
225M |
250M |
280S |
280M |
315S |
315M |
| e |
330 |
360 |
385 |
430 |
460 |
510 |
555 |
655 |
695 |
730 |
750 |
805 |
845 |
870 |
935 |
1010 |
1060 |
1260 |
1390 |
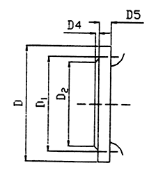
HSN系列泵进、出口法兰连接尺寸
![]() |
![]() |
| 泵规格 |
进口法兰 |
出口法兰 |
||||||||||||||||
| PN10 |
PN40 |
|||||||||||||||||
| D |
D1 |
D2 |
DNS |
D3 |
D4 |
D5 |
a |
n |
D |
D1 |
D2 |
DNS |
D3 |
D4 |
D5 |
a |
n |
|
| HSN40 |
140 |
100 |
78 |
32 |
18 |
2 |
18 |
45° |
4 |
115 |
85 |
63 |
25 |
14 |
2 |
18 |
45° |
4 |
| HSN80 |
185 |
145 |
118 |
65 |
18 |
2 |
20 |
45° |
4 |
165 |
125 |
100 |
50 |
18 |
2 |
22 |
45° |
4 |
| HSN120 |
185 |
145 |
125 |
65 |
18 |
2 |
20 |
45° |
4 |
165 |
125 |
105 |
50 |
18 |
2 |
22 |
45° |
4 |
| HSN210 |
200 |
160 |
138 |
80 |
18 |
2 |
22 |
22.5° |
8 |
185 |
145 |
125 |
65 |
18 |
2 |
24 |
22.5° |
8 |
| HSN280 |
220 |
180 |
160 |
100 |
18 |
2 |
22 |
22.5° |
8 |
200 |
160 |
140 |
80 |
18 |
2 |
26 |
22.5° |
8 |
| HSN440 |
250 |
210 |
184 |
125 |
18 |
2 |
24 |
22.5° |
8 |
235 |
190 |
165 |
100 |
23 |
2 |
28 |
22.5° |
8 |
| HSN660 |
250 |
210 |
185 |
125 |
18 |
2 |
24 |
22.5° |
8 |
235 |
190 |
160 |
100 |
23 |
2 |
28 |
22.5° |
8 |
| HSN940 |
285 |
240 |
212 |
150 |
23 |
2 |
24 |
22.5° |
8 |
270 |
220 |
186 |
125 |
27 |
2 |
30 |
22.5° |
8 |
| HSN1300 |
285 |
240 |
200 |
150 |
23 |
3 |
24 |
22.5° |
8 |
270 |
220 |
190 |
125 |
27 |
3 |
30 |
22.5° |
8 |
| HSN1700 |
340 |
295 |
270 |
200 |
23 |
3 |
26 |
22.5° |
8 |
300 |
250 |
220 |
150 |
27 |
3 |
34 |
22.5° |
8 |
| HSN2200 |
340 |
295 |
260 |
200 |
23 |
3 |
26 |
22.5° |
8 |
300 |
250 |
215 |
150 |
27 |
3 |
34 |
22.5° |
8 |
| HSN2900 |
395 |
350 |
315 |
250 |
23 |
3 |
28 |
15° |
12 |
375 |
320 |
280 |
200 |
30 |
3 |
40 |
15° |
12 |
说明: 1.进口、出口位置可以变换,但需在订货时说明。 2.法兰尺寸适用于HSNH、HSNF、HSNS。

| 泵规格
|
泵尺寸 |
电机规格 |
|||||||||||||||||||||||||||||
| 80 | 90S | 90L | 100L | 112M | 132S | 132M | 160M | 160L | 180M | 180L | 200L | 225S | 225M | 250M | 280S | 280M | |||||||||||||||
| a |
b |
f |
m |
q |
q1 |
q2 |
q3 |
k1 |
k2 |
b |
n1 |
c |
s |
L(大约尺寸) |
|||||||||||||||||
| HSNF40 |
140 |
190 |
227 |
57 |
200 |
100 |
230 |
127 |
459 |
393 |
180 |
163 |
33 |
11 |
710 |
720 |
745 |
785 |
815 |
880 |
920 |
|
|
|
|
|
|
|
|
|
|
| HSNF80 |
140 |
250 |
315 |
60 |
240 |
120 |
275 |
167 |
497 |
435 |
180 |
175 |
40 |
18 |
750 |
760 |
785 |
825 |
855 |
920 |
960 |
|
|
|
|
|
|
|
|
|
|
| HSNF120 |
160 |
250 |
315 |
60 |
260 |
130 |
317 |
182 |
558 |
503 |
195 |
185 |
40 |
18 |
820 |
830 |
855 |
895 |
925 |
985 |
1025 |
1135 |
1180 |
1210 |
1250 |
|
|
|
|
|
|
| HSNF210 |
180 |
250 |
315 |
60 |
300 |
150 |
352 |
194 |
632 |
580 |
210 |
217 |
40 |
18 |
|
905 |
930 |
970 |
1000 |
1060 |
1100 |
1210 |
1256 |
1285 |
1325 |
1375 |
|
|
|
|
|
| HSNF280 |
185 |
250 |
315 |
60 |
330 |
165 |
390 |
226 |
681 |
630 |
220 |
246 |
40 |
18 |
|
|
|
1020 |
1070 |
1130 |
1170 |
1280 |
1325 |
1355 |
1400 |
1445 |
|
|
|
|
|
| HSNF440 |
190 |
355 |
410 |
80 |
360 |
180 |
440 |
272 |
778 |
716 |
280 |
256 |
40 |
23 |
|
|
|
|
|
1195 |
1235 |
1345 |
1390 |
1420 |
1460 |
1510 |
1550 |
1595 |
1680 |
1740 |
|
| HSNF660 |
220 |
355 |
410 |
80 |
390 |
195 |
490 |
295 |
865 |
800 |
290 |
271 |
40 |
23 |
|
|
|
|
|
1285 |
1325 |
1435 |
1480 |
1510 |
1550 |
1600 |
1640 |
1685 |
1770 |
1830 |
|
| HSNF940 |
235 |
355 |
410 |
80 |
410 |
205 |
555 |
344 |
950 |
886 |
310 |
281 |
40 |
23 |
|
|
|
|
|
1365 |
1405 |
1513 |
1560 |
1590 |
1630 |
1680 |
1720 |
1765 |
1850 |
1910 |
|
| HSNF1300 |
235 |
355 |
410 |
80 |
440 |
220 |
560 |
345 |
1015 |
955 |
310 |
300 |
40 |
23 |
|
|
|
|
|
|
|
1585 |
1630 |
1660 |
1700 |
1750 |
1790 |
1835 |
1920 |
1980 |
2025 |
| HSNF1700 |
270 |
355 |
410 |
80 |
480 |
240 |
600 |
381 |
1121 |
1030 |
340 |
320 |
40 |
23 |
|
|
|
|
|
|
|
1660 |
1705 |
1735 |
1775 |
1825 |
1865 |
1910 |
1995 |
2055 |
2100 |
| HSNF2200 |
270 |
355 |
410 |
80 |
500 |
250 |
715 |
466 |
1197 |
1136 |
340 |
325 |
40 |
23 |
|
|
|
|
|
|
|
|
|
1840 |
1880 |
1930 |
1970 |
2015 |
2100 |
2160 |
2205 |
![]() |
| 泵规格 |
a |
c |
e |
s |
z3 |
r1 |
r |
g |
o1 |
o2 |
h |
k1 |
电机K2 ~ |
电机K2 ~ |
|||
| HSNS40 |
250 |
22 |
220 |
14 |
4 |
190 |
130 |
100 |
83 |
163 |
160 |
390 |
|||||
| HSNS80 |
280 |
23 |
240 |
18 |
6 |
230 |
155 |
120 |
95 |
175 |
189 |
464 |
180M |
650 |
|||
| HSNS120 |
320 |
25 |
280 |
18 |
6 |
260 |
185 |
130 |
115 |
185 |
205 |
521 |
80 |
275 |
180L |
690 |
|
| HSNS210 |
340 |
25 |
300 |
18 |
6 |
290 |
205 |
150 |
125 |
195 |
230 |
594 |
90S |
305 |
200L |
735 |
|
| HSNS280 |
400 |
30 |
360 |
18 |
8 |
310 |
220 |
165 |
140 |
246 |
350 |
740 |
90L |
330 |
225S |
810 |
|
| HSNS440 |
420 |
35 |
380 |
18 |
8 |
360 |
250 |
180 |
150 |
256 |
350 |
790 |
100L |
365 |
225M |
835 |
|
| HSNS660 |
480 |
35 |
440 |
18 |
8 |
380 |
270 |
195 |
165 |
271 |
350 |
840 |
112M |
380 |
250M |
940 |
|
| HSNS940 |
510 |
40 |
460 |
18 |
8 |
400 |
290 |
205 |
175 |
281 |
370 |
925 |
132S |
445 |
280S |
1000 |
|
| HSNS1300 |
560 |
35 |
500 |
23 |
8 |
410 |
310 |
220 |
190 |
300 |
450 |
1010 |
132M |
485 |
280M |
1050 |
|
| HSNS1700 |
600 |
35 |
540 |
23 |
8 |
480 |
350 |
240 |
210 |
320 |
466 |
1066 |
160M |
585 |
315S |
1140 |
|
| HSNS2200 |
620 |
40 |
560 |
23 |
8 |
480 |
360 |
250 |
215 |
325 |
450 |
1165 |
160L |
630 |
315M |
1200 |
|
| 泵规格 |
电机规格 |
底 座 号 |
|||||||||||||||||
| XV |
XH |
L1 |
L2 |
L3 |
L4 |
L5 |
B1 |
B2 |
h |
H1 |
h2 |
h3 |
d1 |
k |
p |
q1 |
|||
| HSNH40
|
80至90L |
3 |
|
45 |
575 |
355 |
|
|
110 |
300 |
340 |
313 |
151 |
234 |
30 |
15 |
393
|
163
|
100
|
| 100L |
4 |
|
60 |
645 |
400 |
|
|
122 |
300 |
340 |
313 |
151 |
234 |
30 |
15 |
||||
| 112M |
4 |
|
60 |
645 |
400 |
|
|
122 |
300 |
340 |
319 |
157 |
240 |
30 |
15 |
||||
| 132S、132M |
5 |
|
50 |
725 |
500 |
|
|
112 |
335 |
379 |
344 |
182 |
265 |
30 |
19 |
||||
| HSNH80
|
80至90L |
4 |
|
60 |
645 |
400 |
|
|
122 |
300 |
340 |
337 |
163 |
258 |
30 |
15 |
435
|
160
|
120
|
| 100L、112M |
5 |
|
50 |
725 |
500 |
|
|
112 |
335 |
379 |
342 |
168 |
263 |
30 |
19 |
||||
| 132S、132M |
6 |
|
60 |
815 |
560 |
|
|
127 |
375 |
419 |
356 |
182 |
277 |
30 |
19 |
||||
| 160M、160L |
8 |
|
70 |
980 |
630 |
|
|
155 |
400 |
430 |
409 |
235 |
330 |
30 |
19 |
||||
| HSNH120
|
80至90L |
5 |
|
10 |
725 |
500 |
|
|
112 |
335 |
379 |
407 |
200 |
315 |
30 |
19 |
503 |
186
|
130
|
| 100L至132M |
6 |
|
25 |
815 |
560 |
|
|
127 |
375 |
419 |
407 |
200 |
315 |
30 |
19 |
||||
| 160M |
8 |
|
40 |
980 |
630 |
|
|
155 |
400 |
430 |
442 |
235 |
350 |
30 |
19 |
||||
| 160L |
9 |
|
50 |
1090 |
710 |
|
|
165 |
445 |
485 |
455 |
247 |
363 |
30 |
19 |
||||
| 180L |
9 |
|
50 |
1090 |
710 |
|
|
165 |
445 |
485 |
475 |
267 |
383 |
30 |
19 |
||||
| HSNH210
|
90S、90L |
6 |
|
25 |
815 |
560 |
|
|
127 |
375 |
419 |
427 |
210 |
335 |
30 |
19 |
580
|
228
|
150
|
| 100L、112M |
7 |
|
40 |
940 |
630 |
|
|
155 |
320 |
350 |
450 |
233 |
358 |
30 |
19 |
||||
| 132S、132M |
8 |
|
40 |
980 |
630 |
|
|
155 |
400 |
430 |
452 |
235 |
360 |
30 |
19 |
||||
| 160M、160L |
9 |
|
50 |
1090 |
710 |
|
|
165 |
445 |
435 |
464 |
247 |
372 |
30 |
19 |
||||
| 180M |
9 |
|
50 |
1090 |
710 |
|
|
165 |
445 |
435 |
484 |
267 |
392 |
30 |
19 |
||||
| 180L |
10 |
|
15 |
1190 |
900 |
450 |
|
130 |
470 |
510 |
484 |
267 |
392 |
30 |
19 |
||||
| 200L |
10 |
|
15 |
1190 |
900 |
450 |
|
130 |
470 |
510 |
504 |
287 |
412 |
30 |
19 |
||||
| HSNH280
|
100L至132S |
8 |
10 |
|
980 |
630 |
|
|
155 |
400 |
430 |
512 |
265 |
405 |
30 |
19 |
630
|
240
|
165
|
| 132M |
9 |
0 |
0 |
1090 |
710 |
|
|
165 |
445 |
485 |
524 |
277 |
417 |
30 |
19 |
||||
| 160M至180L |
10 |
35 |
|
1190 |
900 |
450 |
|
130 |
470 |
510 |
524 |
277 |
417 |
30 |
19 |
||||
| 200L |
11 |
215 |
|
1390 |
1190 |
595 |
|
80 |
520 |
560 |
537 |
290 |
430 |
30 |
21 |
||||
| 225S |
11 |
185 |
|
1390 |
1190 |
595 |
|
80 |
520 |
560 |
562 |
315 |
455 |
30 |
21 |
||||
| 225M |
11 |
175 |
|
1390 |
1190 |
595 |
|
80 |
520 |
560 |
562 |
315 |
455 |
30 |
21 |
||||
| HSNH440
|
112M |
9 |
100 |
|
1090 |
710 |
|
|
165 |
445 |
485 |
544 |
287 |
437 |
30 |
19 |
716
|
276 |
180 |
| 132S、132M |
9 |
0 |
0 |
1090 |
710 |
|
|
165 |
445 |
485 |
544 |
287 |
427 |
30 |
19 |
||||
| 160M至180M |
10 |
35 |
|
1190 |
900 |
450 |
|
130 |
470 |
510 |
544 |
287 |
437 |
30 |
19 |
||||
| 180L |
11 |
170 |
|
1390 |
1190 |
595 |
|
80 |
520 |
560 |
547 |
290 |
440 |
30 |
21 |
||||
| 200L |
11 |
170 |
|
1390 |
1190 |
595 |
|
80 |
520 |
560 |
547 |
290 |
440 |
30 |
21 |
||||
| 225S、225M |
11 |
120 |
|
1390 |
1190 |
595 |
|
80 |
520 |
560 |
572 |
315 |
465 |
30 |
21 |
||||
| HSNH660
|
132S |
9 |
0 |
0 |
1090 |
710 |
|
|
165 |
445 |
485 |
574 |
302 |
467 |
30 |
19 |
800
|
310
|
195
|
| 132M |
10 |
35 |
|
1190 |
900 |
450 |
|
130 |
470 |
510 |
574 |
302 |
467 |
30 |
19 |
||||
| 160M至180M |
11 |
165 |
|
1390 |
1190 |
595 |
|
80 |
520 |
560 |
577 |
305 |
470 |
30 |
21 |
||||
| 180L、200L |
11 |
125 |
|
1390 |
1190 |
595 |
|
90 |
520 |
560 |
577 |
305 |
470 |
30 |
21 |
||||
| 225S、225M |
12 |
190 |
|
1570 |
1320 |
|
440 |
90 |
575 |
615 |
612 |
340 |
505 |
30 |
21 |
||||
| HSNH940
|
132M |
10 |
35 |
|
1190 |
900 |
450 |
|
130 |
470 |
510 |
594 |
312 |
487 |
30 |
19 |
886
|
331
|
205
|
| 160M至180M |
11 |
150 |
|
1390 |
1190 |
595 |
|
80 |
520 |
560 |
597 |
315 |
490 |
30 |
21 |
||||
| 180L-200L |
12 |
170 |
|
1570 |
1320 |
|
440 |
90 |
575 |
615 |
622 |
340 |
515 |
30 |
21 |
||||
| 225S、225M |
12 |
140 |
|
1570 |
1320 |
|
440 |
90 |
575 |
615 |
622 |
340 |
515 |
30 |
21 |
||||
| 250M |
12 |
105 |
|
1570 |
1320 |
|
440 |
90 |
575 |
615 |
647 |
365 |
540 |
30 |
21 |
||||
| 280S、280M |
14 |
170 |
|
1720 |
1500 |
|
500 |
90 |
675 |
715 |
678 |
396 |
571 |
18 |
26 |
||||
| HSNH1300
|
160M |
11 |
180 |
|
1390 |
1190 |
595 |
|
80 |
520 |
560 |
712 |
330 |
520 |
30 |
21 |
935
|
395
|
220
|
| 160L至180L |
12 |
230 |
|
1570 |
1320 |
|
440 |
90 |
575 |
615 |
737 |
355 |
545 |
30 |
21 |
||||
| 200L |
12 |
190 |
|
1570 |
1320 |
|
440 |
90 |
575 |
615 |
737 |
355 |
545 |
30 |
21 |
||||
| 225S、225M |
12 |
160 |
|
1570 |
1320 |
|
440 |
90 |
575 |
615 |
737 |
355 |
545 |
30 |
21 |
||||
| 250M |
13 |
230 |
|
1720 |
1500 |
|
500 |
90 |
575 |
615 |
748 |
366 |
556 |
18 |
26 |
||||
| 280S、280M |
14 |
180 |
|
1720 |
1500 |
|
500 |
90 |
675 |
715 |
777 |
396 |
585 |
18 |
26 |
||||
|
HSNH1700 |
160L、180M |
12 |
200 |
|
1570 |
1320 |
|
440 |
80 |
575 |
615 |
777 |
375 |
585 |
30 |
21 |
1030
|
430
|
240
|
| 180L、200L |
12 |
160 |
|
1570 |
1320 |
|
440 |
80 |
575 |
615 |
777 |
375 |
585 |
30 |
21 |
||||
| 225S、225M |
13 |
250 |
|
1720 |
1500 |
|
500 |
90 |
575 |
615 |
777 |
376 |
585 |
18 |
26 |
||||
| 250M |
13 |
200 |
|
1720 |
1500 |
|
500 |
90 |
575 |
615 |
777 |
376 |
585 |
18 |
26 |
||||
| 280S |
|
170 |
|
1720 |
1500 |
|
500 |
90 |
575 |
615 |
797 |
396 |
605 |
18 |
26 |
||||
| 280M |
16 |
320 |
|
1920 |
1740 |
|
580 |
90 |
675 |
715 |
797 |
396 |
605 |
18 |
26 |
||||
| 315S |
16 |
270 |
|
1920 |
1740 |
|
580 |
90 |
675 |
715 |
832 |
431 |
640 |
18 |
26 |
||||
| HSNH2200
|
180M |
12 |
140 |
|
1570 |
1320 |
|
440 |
80 |
575 |
615 |
792 |
380 |
600 |
30 |
21 |
1136
|
421
|
250
|
| 180L至225M |
13 |
180 |
|
1720 |
1500 |
|
500 |
90 |
575 |
615 |
792 |
381 |
600 |
18 |
26 |
||||
| 250M |
13 |
140 |
|
1720 |
1500 |
|
500 |
90 |
575 |
615 |
792 |
381 |
600 |
18 |
26 |
||||
| 280S、280M |
16 |
200 |
|
1920 |
1740 |
|
580 |
90 |
675 |
715 |
807 |
396 |
615 |
18 |
26 |
||||
| 315S |
16 |
160 |
|
1920 |
1740 |
|
580 |
90 |
675 |
715 |
842 |
431 |
650 |
18 |
26 |
||||
| 315M |
17 |
250 |
|
2120 |
1950 |
|
650 |
90 |
675 |
715 |
847 |
431 |
655 |
18 |
26 |
||||
| HSNH2900
|
250M |
13 |
140 |
|
1720 |
1500 |
|
500 |
90 |
575 |
615 |
897 |
431 |
705 |
18 |
26 |
|
430
|
300 |
| 280S、280M |
17 |
200 |
|
1920 |
1740 |
|
580 |
90 |
675 |
715 |
897 |
431 |
705 |
18 |
26 |
||||
| 315S |
17 |
160 |
|
1920 |
1740 |
|
580 |
90 |
675 |
715 |
897 |
431 |
705 |
18 |
26 |
||||
| 315M |
17 |
250 |
|
2120 |
1950 |
|
650 |
90 |
675 |
715 |
897 |
431 |
705 |
18 |
26 |
||||